151-6777-6274
EN
首页
关于梓开
梓开简介
企业文化
董事长介绍
梓开荣誉
社会责任
业务板块
新能源设备系列
10kv~40.5kv 模块化智能预制舱
DFW-35kv 风电光伏用电缆分支箱
DFW-40.5kv 户外电缆分支箱
户外高压真空断路器
ZW32-12FG 户外高压真空断路器/智能型
ZW32-12 户外高压真空断路器(一二次融合)
ZW20-12F 一二次融合户外高压真空断路器
高压环网柜(箱)系列
ZKRM6-12 气体绝缘交流金属封闭电气开关设备
KBS-12 户外高压环网箱(开闭所)
HBN-12 节能环保型全绝缘环网柜
户内高压真空断路器
VS1-12手车式
VS1-12固定式
ZN63(VS1)-12 侧装式户内高压真空断路器
户内高压负荷开关
FKRN12-12 户内高压负荷开关及熔断组合电器
FZRN25-12 户内高压负荷开关及熔断组合电器
户外高压隔离开关
GW1-10 分体型/连体型户外高压隔离开关
GW4 户外双柱水平开启式高压隔离开关
GW5-35 户外高压隔离开关
高压熔断器系列
跌落式熔断器
避雷器系列
氧化锌避雷器
-可卸式避雷器
-35kV避雷器
查看更多系列
梓开实力
生产车间
办公区域
视频中心
公司全景
解决方案
电力输配电
港口运输
轨道交通
工矿作业
居民住宅
服务支持
售后服务
网络布局
建议反馈
招聘中心
新闻动态
公司新闻
行业动态
联系我们
联系方式
在线留言
EN
关于梓开
梓开简介
企业文化
董事长介绍
梓开荣誉
体系认证
企业荣誉
检验报告
国网入围
社会责任
业务板块
新能源设备系列
户外高压真空断路器
高压环网柜(箱)系列
户内高压真空断路器
户内高压负荷开关
户外高压隔离开关
高压熔断器系列
避雷器系列
户外高压互感器系列
高压开关柜系列
箱式变电站系列
电缆分支箱系列
梓开实力
生产车间
办公区域
视频中心
公司全景
解决方案
电力输配电
港口运输
轨道交通
工矿作业
居民住宅
服务支持
售后服务
网络布局
建议反馈
招聘中心
新闻动态
公司新闻
行业动态
联系我们
联系方式
在线留言
业务板块
首页
>>
业务板块
>>
高压开关柜系列
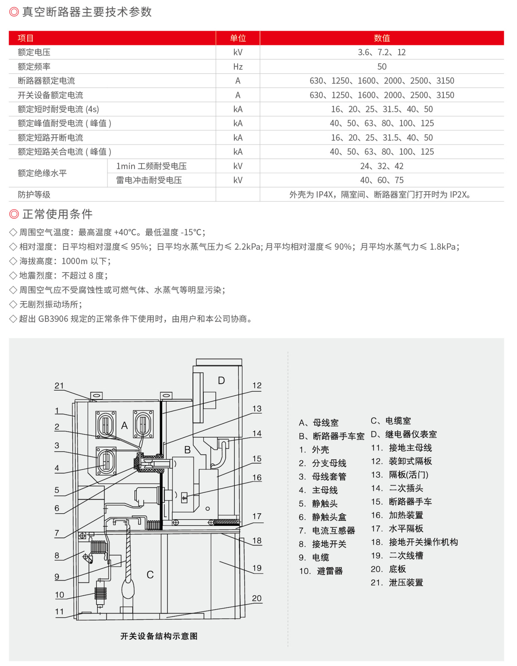
KYN28-12 铠装移开式封闭开关设备
适用于三相交流额定电压12kW,额定频率50Hz电力系统,用于接受和分配电能并对电路实行控制、保护及监测。
立即咨询
Copyright © 上海梓开电气有限公司温州分公司 All Rights Reserved. 备案号:
浙ICP备2024125420号
网站建设: 颂诚网络 温州